Запчасть 96143533 Термостат 1.5 1.6

Запрашиваемый артикул
Производитель: General Motors
96143533
Термостат 1.5 1.6
Нет в наличии
0.00 грн
Оригинальные замены производителя
Производитель: General Motors
Нет в наличии
0.00 грн
Схема относится к артикулу: 96143939
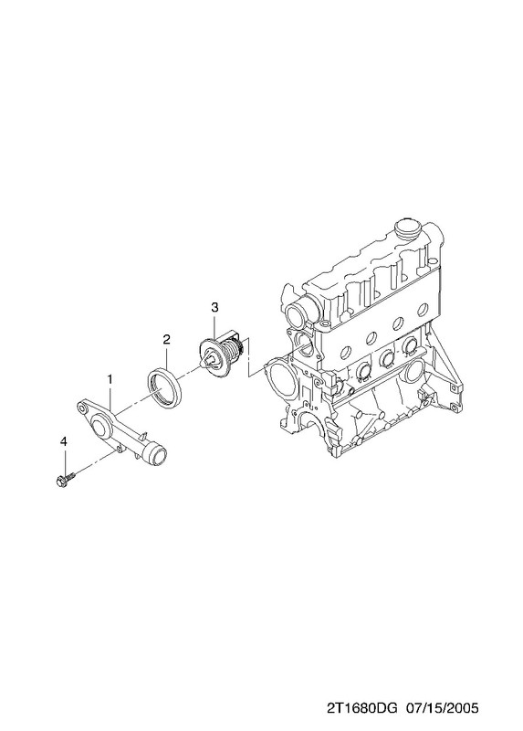
1. Двигатели > 1680 Термостат (SOHC)
Вз Код Наименование Двиг КП 4n s se sx Сторона Кол Опции
3 96143939 Термостат в сборе C M B S 1
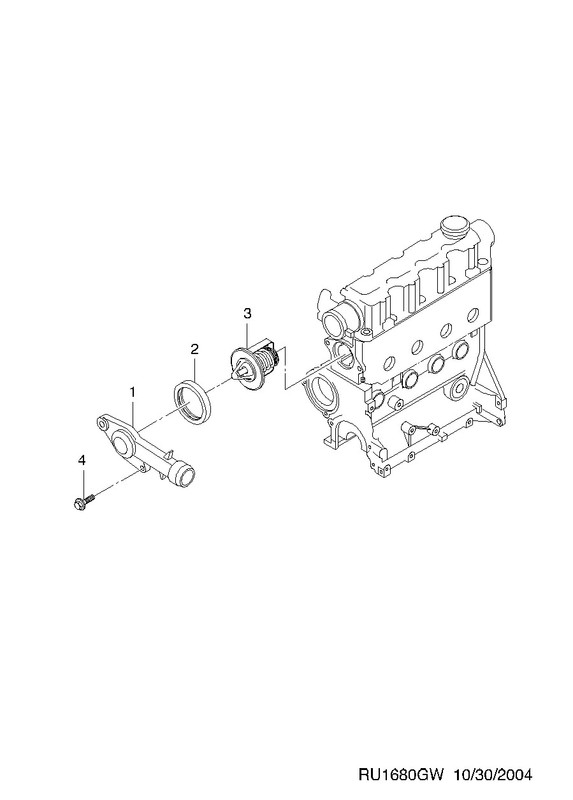
1. Двигатели > 1680 Термостат (SOHC)
Вз Код Наименование Двиг КП 4n f 5h s se sx Сторона Кол Опции
3 96143939 Термостат в сборе Y M B B B S S S 1
Схема относится к артикулу: 96143939
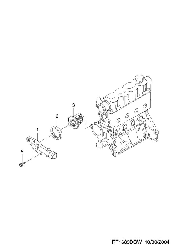
1. Двигатели > 1680 Термостат (1,5 SOHC)
Вз Код Наименование Двиг КП n h s se sx Сторона Кол Опции
3 96143939 Термостат в сборе Y M B B S S 1 &LV8
Схема относится к артикулу: 96143939
ТЕРМОСТАТ > ДВИГАТЕЛЬ > ТЕРМОСТАТ(FAM I ОВРВ) (1680) 16800
Код handcode Наименование Кол Опции
003 96143939 ТЕРМОСТАТ А 1 (BASE,LS,LT) (08,48) (&LBJ/LV8) 2008-2008
ТЕРМОСТАТ > ДВИГАТЕЛЬ > ТЕРМОСТАТ(FAM I ОВРВ) (1680) 16800
Код handcode Наименование Кол Опции
003 96143939 ТЕРМОСТАТ А 1 (BASE,LS,LT) (69,08,48) (&LX5/LX6) 2003-2007
Схема относится к артикулу: 96143939
ТЕРМОСТАТ > ДВИГАТЕЛЬ > ТЕРМОСТАТ(FAM I ДВРВ) (1681) 16810
Код handcode Наименование Кол Опции
003 96143939 ТЕРМОСТАТ А use for aluminum thermostat 1 (BASE,LS,LT,E) (69) (&L95) 2008-2008
ТЕРМОСТАТ > ДВИГАТЕЛЬ > ТЕРМОСТАТ(FAM I ДВРВ) (1681) 16810
Код handcode Наименование Кол Опции
003 96143939 ТЕРМОСТАТ А use for aluminum thermostat 1 (BASE,LS,LT,E) (69) (&L14) 2007-2007
Схема относится к артикулу: 96143939
ТЕРМОСТАТ > ДВИГАТЕЛЬ > ТЕРМОСТАТ(FAM I ОВРВ) (1680) 16800
Код handcode Наименование Кол Опции
003 96143939 ТЕРМОСТАТ А 1 (BASE,LS,LT,U) (69,08,48) (&LV8) 2011-2011
ТЕРМОСТАТ > ДВИГАТЕЛЬ > ТЕРМОСТАТ(FAM I ОВРВ) (1680) 16800
Код handcode Наименование Кол Опции
003 96143939 ТЕРМОСТАТ А 1 (BASE,LS,LT,U) (69,08,48) (&LV8) 2010-2010
ТЕРМОСТАТ > ДВИГАТЕЛЬ > ТЕРМОСТАТ(FAM I ОВРВ) (1680) 16800
Код handcode Наименование Кол Опции
003 96143939 ТЕРМОСТАТ А 1 (BASE,LS,LT,U) (69,08,48) (&LV8) 2009-2009
ТЕРМОСТАТ > ДВИГАТЕЛЬ > ТЕРМОСТАТ(FAM I ОВРВ) (1680) 16800
Код handcode Наименование Кол Опции
003 96143939 ТЕРМОСТАТ А 1 (BASE,LS,LT,U) (69) (&LV8) 2008-2008
ТЕРМОСТАТ > ДВИГАТЕЛЬ > ТЕРМОСТАТ(FAM I ОВРВ) (1680) 16800
Код handcode Наименование Кол Опции
003 96143939 ТЕРМОСТАТ А 1 (BASE,LS,LT) (69) (&LX6) 2006-2007
Схема относится к артикулу: 96143939
СИСТЕМА ОХЛАЖДЕНИЯ-РЕШЕТКА-МАСЛЯНАЯ СИСТЕМА > > PP,PQ,PR68 ШЛАНГИ И ТРУБКИ/РАДИАТОР (LXT/1.66) RP01-009
Код handcode Наименование Кол Опции
005 96143939 ТЕРМОСТАТ, ОХЛАЖДЕНИЕ ДВИГ 1 PP,PQ,PR68-69 ДВИГАТЕЛЬ БЕНЗИН., 4 ЦИЛ., 1,6 Л, ДВОЙНОЙ РАСПРЕДВАЛ ВЕРХНЕГО РАСПОЛОЖЕНИЯ (DOHC), 80 КВТ (GMDAT)(LXT) 2012 - 2012
СИСТЕМА ОХЛАЖДЕНИЯ-РЕШЕТКА-МАСЛЯНАЯ СИСТЕМА > > PP,PQ,PR68 ШЛАНГИ И ТРУБКИ/РАДИАТОР (LXT/1.66) RP01-009
Код handcode Наименование Кол Опции
005 96143939 ТЕРМОСТАТ, ОХЛАЖДЕНИЕ ДВИГ 1 PP,PQ,PR68-69 ДВИГАТЕЛЬ БЕНЗИН., 4 ЦИЛ., 1,6 Л, ДВОЙНОЙ РАСПРЕДВАЛ ВЕРХНЕГО РАСПОЛОЖЕНИЯ (DOHC), 80 КВТ (GMDAT)(LXT) 2012 - 2012
Схема относится к артикулу: 96143939
СИСТЕМА ОХЛАЖДЕНИЯ-РЕШЕТКА-МАСЛЯНАЯ СИСТЕМА > > PP,PQ,PR68 ШЛАНГИ И ТРУБКИ/РАДИАТОР (LXT/1.66) RP01-009
Код handcode Наименование Кол Опции
005 96143939 ТЕРМОСТАТ, ОХЛАЖДЕНИЕ ДВИГ 1 PP,PQ,PR68-69 ДВИГАТЕЛЬ БЕНЗИН., 4 ЦИЛ., 1,6 Л, ДВОЙНОЙ РАСПРЕДВАЛ ВЕРХНЕГО РАСПОЛОЖЕНИЯ (DOHC), 80 КВТ (GMDAT)(LXT) 2012 - 2012
СИСТЕМА ОХЛАЖДЕНИЯ-РЕШЕТКА-МАСЛЯНАЯ СИСТЕМА > > PP,PQ,PR68 ШЛАНГИ И ТРУБКИ/РАДИАТОР (LXT/1.66) RP01-009
Код handcode Наименование Кол Опции
005 96143939 ТЕРМОСТАТ, ОХЛАЖДЕНИЕ ДВИГ 1 PP,PQ,PR68-69 ДВИГАТЕЛЬ БЕНЗИН., 4 ЦИЛ., 1,6 Л, ДВОЙНОЙ РАСПРЕДВАЛ ВЕРХНЕГО РАСПОЛОЖЕНИЯ (DOHC), 80 КВТ (GMDAT)(LXT) 2012 - 2012
СИСТЕМА ОХЛАЖДЕНИЯ-РЕШЕТКА-МАСЛЯНАЯ СИСТЕМА > > PP,PQ,PR69 ШЛАНГИ И ТРУБКИ/РАДИАТОР (LXT/1.66) RP01-009
Код handcode Наименование Кол Опции
005 96143939 ТЕРМОСТАТ, ОХЛАЖДЕНИЕ ДВИГ 1 PP,PQ,PR69 ДВИГАТЕЛЬ БЕНЗИН., 4 ЦИЛ., 1,6 Л, ДВОЙНОЙ РАСПРЕДВАЛ ВЕРХНЕГО РАСПОЛОЖЕНИЯ (DOHC), 80 КВТ (GMDAT)(LXT) 2011 - 2011
СИСТЕМА ОХЛАЖДЕНИЯ-РЕШЕТКА-МАСЛЯНАЯ СИСТЕМА > > PP,PQ,PR69 ШЛАНГИ И ТРУБКИ/РАДИАТОР (LXT/1.66) RP01-009
Код handcode Наименование Кол Опции
005 96143939 ТЕРМОСТАТ, ОХЛАЖДЕНИЕ ДВИГ 1 PP,PQ69 ДВИГАТЕЛЬ БЕНЗИН., 4 ЦИЛ., 1,6 Л, ДВОЙНОЙ РАСПРЕДВАЛ ВЕРХНЕГО РАСПОЛОЖЕНИЯ (DOHC), 80 КВТ (GMDAT)(LXT),КОД ЗАВОДА СТ.ПЕТЕРБУРГ, РОССИЯ(TBT) 2010 - 2010
Схема относится к артикулу: 96143939
ТЕРМОСТАТ > ДВИГАТЕЛЬ > ТЕРМОСТАТ(FAM I ДВРВ) (1681) 16810
Код handcode Наименование Кол Опции
003 96143939 ТЕРМОСТАТ А use for aluminum thermostat 1 (S,SE,SX) (08,48) (&L95) 2008-2008
ТЕРМОСТАТ > ДВИГАТЕЛЬ > ТЕРМОСТАТ(FAM I ДВРВ) (1681) 16810
Код handcode Наименование Кол Опции
003 96143939 ТЕРМОСТАТ А use for aluminum thermostat 1 (S,SE,SX) (08,48) (&L14) 2007-2007
Схема относится к артикулу: 96143939
ТЕРМОСТАТ > ДВИГАТЕЛЬ > ТЕРМОСТАТ(FAM I ДВРВ) (1681) 16810
Код handcode Наименование Кол Опции
003 96143939 ТЕРМОСТАТ А use for aluminum thermostat 1 (SE,SX,CDX,CKD RUSSIA ALL TRIM) (48,35,19) (&L95/LXT) 2012-2012
ТЕРМОСТАТ > ДВИГАТЕЛЬ > ТЕРМОСТАТ(FAM I ДВРВ) (1681) 16810
Код handcode Наименование Кол Опции
003 96143939 ТЕРМОСТАТ А use for aluminum thermostat 1 (SE,SX,CDX,CKD RUSSIA ALL TRIM) (48,35,19) (&L95/LXT) 2011-2011
ТЕРМОСТАТ > ДВИГАТЕЛЬ > ТЕРМОСТАТ(FAM I ДВРВ) (1681) 16810
Код handcode Наименование Кол Опции
003 96143939 ТЕРМОСТАТ А use for aluminum thermostat 1 (SE,SX,CDX,CKD RUSSIA ALL TRIM) (48,35,19) (&L95/LXT) 2010-2010
ТЕРМОСТАТ > ДВИГАТЕЛЬ > ТЕРМОСТАТ(FAM I ДВРВ) (1681) 16810
Код handcode Наименование Кол Опции
003 96143939 ТЕРМОСТАТ А use for aluminum thermostat 1 (SE,SX,CDX,CKD RUSSIA ALL TRIM) (48,35,19) (&L95/LXT) 2008-2009
Схема относится к артикулу: 96143939
ТЕРМОСТАТ > ДВИГАТЕЛЬ > ТЕРМОСТАТ(FAM I ДВРВ) (1681) 16810
Код handcode Наименование Кол Опции
003 96143939 ТЕРМОСТАТ А use for aluminum thermostat 1 (BASE,LS,LT) (48,35,19) (&L95/LXT) 2012-2012
ТЕРМОСТАТ > ДВИГАТЕЛЬ > ТЕРМОСТАТ(FAM I ДВРВ) (1681) 16810
Код handcode Наименование Кол Опции
003 96143939 ТЕРМОСТАТ А use for aluminum thermostat 1 (BASE,LS,LT) (48,35,19) (&L95/LXT) 2011-2011
ТЕРМОСТАТ > ДВИГАТЕЛЬ > ТЕРМОСТАТ(FAM I ДВРВ) (1681) 16810
Код handcode Наименование Кол Опции
003 96143939 ТЕРМОСТАТ А use for aluminum thermostat 1 (BASE,LS,LT) (48,35,19) (&L95/LXT) 2010-2010
ТЕРМОСТАТ > ДВИГАТЕЛЬ > ТЕРМОСТАТ(FAM I ДВРВ) (1681) 16810
Код handcode Наименование Кол Опции
003 96143939 ТЕРМОСТАТ А use for aluminum thermostat 1 (BASE,LS,LT) (48,35,19) (&L95/LXT) 2008-2009
Схема относится к артикулу: 96143939
ТЕРМОСТАТ > ДВИГАТЕЛЬ > ТЕРМОСТАТ(FAM I ОВРВ) (1680) 16800
Код handcode Наименование Кол Опции
003 96143939 ТЕРМОСТАТ А 1 (69,08,48) (&L13/LX6) 1997-2002
ТЕРМОСТАТ > ДВИГАТЕЛЬ > ТЕРМОСТАТ(FAM I ОВРВ) (1680) 16800
Код handcode Наименование Кол Опции
003 96143939 ТЕРМОСТАТ А 1 (69,08,48) (&L13/LX6) 1997-2002
ТЕРМОСТАТ > ДВИГАТЕЛЬ > ТЕРМОСТАТ(FAM I ОВРВ) (1680) 16800
Код handcode Наименование Кол Опции
003 96143939 ТЕРМОСТАТ А 1 (69,08,48) (&L13/LX6) 1997-2002
Схема относится к артикулу: 96143939
ТЕРМОСТАТ > ДВИГАТЕЛЬ > ТЕРМОСТАТ(FAM I ОВРВ) (1680) 16800
Код handcode Наименование Кол Опции
003 96143939 ТЕРМОСТАТ А 1 (69,08,48) (&L13/LX6) 1997-2002
ТЕРМОСТАТ > ДВИГАТЕЛЬ > ТЕРМОСТАТ(FAM I ОВРВ) (1680) 16800
Код handcode Наименование Кол Опции
003 96143939 ТЕРМОСТАТ А 1 (69,08,48) (&L13/LX6) 1997-2002
ТЕРМОСТАТ > ДВИГАТЕЛЬ > ТЕРМОСТАТ(FAM I ОВРВ) (1680) 16800
Код handcode Наименование Кол Опции
003 96143939 ТЕРМОСТАТ А 1 (69,08,48) (&L13/LX6) 1997-2002
Схема относится к артикулу: 96143939
ТЕРМОСТАТ > ДВИГАТЕЛЬ > ТЕРМОСТАТ(FAM I ДВРВ) (1681) 16810
Код handcode Наименование Кол Опции
003 96143939 ТЕРМОСТАТ А OLD 1 (69,48,35) (&L44) (- 263779) 1997-1999
ТЕРМОСТАТ > ДВИГАТЕЛЬ > ТЕРМОСТАТ(FAM I ДВРВ) (1681) 16810
Код handcode Наименование Кол Опции
003 96143939 ТЕРМОСТАТ А OLD 1 (69,48,35) (&L44) (- 263779) 1997-1999
Схема относится к артикулу: 96143939
ТЕРМОСТАТ > ДВИГАТЕЛЬ > ТЕРМОСТАТ(FAM I ДВРВ) (1681) 16810
Код handcode Наименование Кол Опции
003 96143939 ТЕРМОСТАТ А OLD 1 (69,48,35) (&L44) (- 263779) 1997-1999
ТЕРМОСТАТ > ДВИГАТЕЛЬ > ТЕРМОСТАТ(FAM I ДВРВ) (1681) 16810
Код handcode Наименование Кол Опции
003 96143939 ТЕРМОСТАТ А OLD 1 (69,48,35) (&L44) (- 263779) 1997-1999
ТЕРМОСТАТ > ДВИГАТЕЛЬ > ТЕРМОСТАТ(FAM I ДВРВ) (1681) (LH) 16810L
Код handcode Наименование Кол Опции
003 96143939 ТЕРМОСТАТ А OLD 1 (69,48,35) (&L43/L44) (- 263779) 1997-1999
Схема относится к артикулу: 96143939
ТЕРМОСТАТ > ДВИГАТЕЛЬ > ТЕРМОСТАТ(FAM I ДВРВ) (1681) 16810
Код handcode Наименование Кол Опции
003 96143939 ТЕРМОСТАТ А use for aluminum thermostat 1 (SE,SX) (26,75) (&LXT) 2008-2008
Схема относится к артикулу: 96143939
ТЕРМОСТАТ > ДВИГАТЕЛЬ > ТЕРМОСТАТ(FAM I ДВРВ) (1681) 16810
Код handcode Наименование Кол Опции
003 96143939 ТЕРМОСТАТ А use for aluminum thermostat 1 (BASE,LS) (26,75) (&LXT) 2008-2008
Рекомендуем выбрать подлинную термостат 1.5 1.6 96143533 от производителя General Motors по недорогой цене у нас в онлайн магазине автозапчастей на официальном сайте pag.com.ua. Термостат 1.5 1.6 96143533 от производителя General Motors, по низкой цене. Купите оригинальные запчасти в Хмельницком и Украине. Цены в каталоге, на сайте пан авто групп. Доставка заказа осуществляется в такие города как: Полтава, Черкассы, Хмельницкий, Сумы, Житомир, Черновцы, а также во все остальные города Украины.